

Isuzu Chassis Fire Trucks Body Builders User Manual, also known as the Isuzu fire truck chassis body assembly manual, Isuzu fire fighting vehicle body builder handbook, or Isuzu fire engine body fabrication user manual, is a core technical guide designed specifically for fire truck modification manufacturers. Based on Isuzu's mature commercial chassis, it focuses on the entire process of modifying, assembling, and adapting fire truck-specific superstructures, serving as a crucial technical document bridging the gap between the original chassis design and customized fire-fighting functions.
Directly Download: Isuzu chassis Fire Trucks body builders user manual




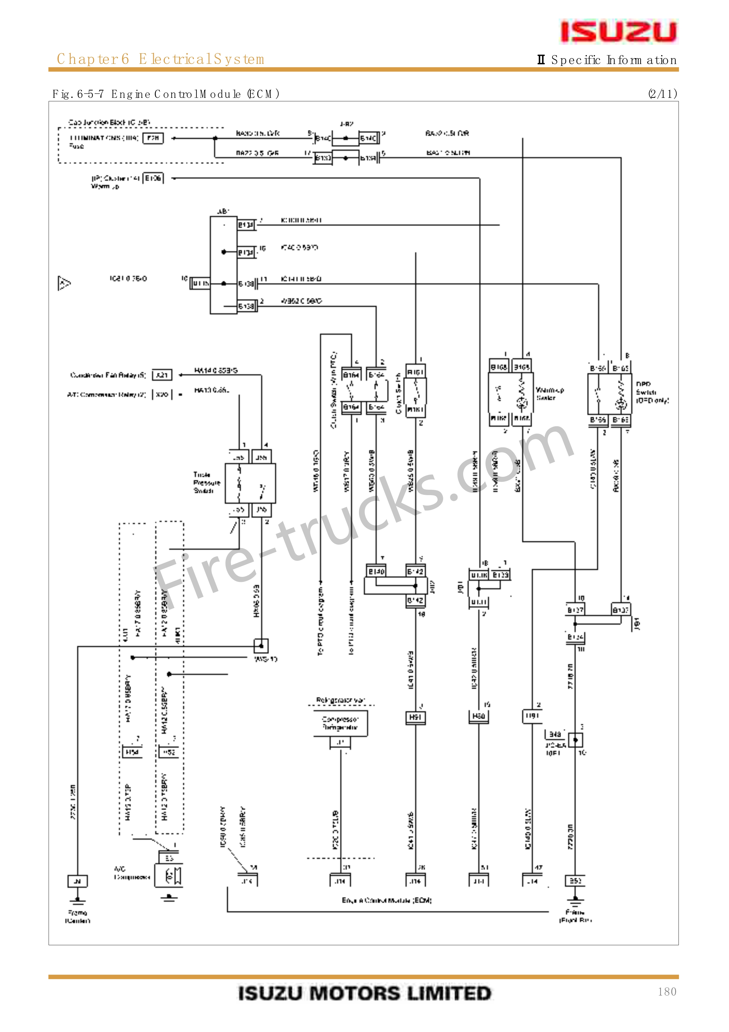
The core content of the Isuzu Fire Truck Chassis & Body Assembly Manual revolves around chassis compatibility. It first clarifies the structural parameters, frame strength data, power output interfaces, and electrical system specifications of Isuzu fire truck chassis (including light/medium/heavy-duty series such as ELF, FVR, and GIGA), providing precise technical guidance for superstructure modifications.
Secondly, the installation standards for the dedicated fire-fighting superstructure are specified in detail, including the fixing specifications for water tanks/foam tanks, the connection requirements for fire pumps (such as the CB series) and power take-offs, pipeline layout and sealing standards, as well as the installation dimensions and load-bearing standards for equipment boxes, fire monitors, and other equipment, ensuring the structural stability and functional reliability of the modified vehicle.










Meanwhile, the Isuzu Fire Fighting Vehicle Body Builder Handbook covers safety compliance requirements, clearly defining the emission standards, road safety regulations, and vehicle weight distribution principles that must be during the modification process, avoiding any impact on chassis performance and driving safety due to improper modification. Furthermore, it provides guidance on maintenance interface reservations and convenient maintenance design, helping modification manufacturers balance functionality and future maintenance, making it an essential technical manual for building compliant and efficient Isuzu chassis fire trucks.
Take a look at other Fire truck technical drawing that may be of interest to you:
● ISUZU VC66 heavy fire vehicle user manual
● GIGA ISUZU Water fire engine operation manual
● Techical drawing for Isuzu ELF 700P 2500 liter foam fire truck
● HOWO Rescue Fire Fighting Truck mounted Crane technical drawing
Bạn có thể quan tâm đến các thông tin sau