

Xe cứu hỏa bọt Howo TX 4x2 dung tích 7,5 mét khối sử dụng khung gầm Howo TX với chiều dài cơ sở 4700mm. Xe được trang bị động cơ Weichai WP4.6NQ240E62 và hộp số Sinotruk HW95508STCL. Phần trước của thân xe là hộp chứa thiết bị phụ trợ chữa cháy. Phần giữa chứa bồn nước bằng thép carbon dung tích 5,5 mét khối và bồn bọt bằng thép không gỉ dung tích 2 mét khối. Phòng bơm phía sau được trang bị bơm chữa cháy CB10/40-LC(BS), bảng điều khiển, thiết bị chữa cháy, vòi phun chữa cháy PL8/32 trên nóc bồn và hai cửa thăm tiêu chuẩn châu Âu.
Khung gầm xe tải:
HOWO TX, 4x2Khả năng làm việc:
5500L water +2000L foamCông suất động cơ:
240 HP/ WP4.6NQ240E62Bơm chữa cháy:
China CB10/40-LC(BS)Lưu lượng bơm:
40L/sÁp suất công việc:
1.0 MpaVòi phun chữa cháy:
China PL8/32Giám sát dòng chảy:
32 L/sPhạm vi giám sát:
Water≥60 m,Foam≥48mCái Xe chữa cháy 6 bánh hiệu Howo Đây là một xe cứu hỏa chiến đấu chủ lực cỡ trung bình đầy đủ chức năng, tích hợp khả năng cơ động mạnh mẽ, lượng dự trữ chất chữa cháy dồi dào và khả năng chiến đấu đa dạng. Về động cơ, xe được trang bị động cơ Weichai kết hợp với hộp số Sinotruk, mang lại công suất mạnh mẽ và khả năng truyền động hiệu quả.
Cấu trúc thượng tầng được bố trí khoa học, với hộp thiết bị phía trước để cất giữ gọn gàng các thiết bị chữa cháy khác nhau; bể chứa nước và bể chứa bọt ở trung tâm có dung tích phù hợp với các tình huống hỏa hoạn khác nhau; và phòng bơm phía sau được trang bị đầy đủ các thiết bị cần thiết để dễ dàng vận hành. Vòi phun chữa cháy trên đỉnh bể cho phép dập lửa từ xa và chính xác, đáp ứng hiệu quả các loại đám cháy cấp A và cấp B khác nhau.
» Ⅰ. Các tính năng chính:
★ Động cơ mạnh mẽ 240 mã lực, chạy 100.000 km không gặp sự cố.
★ Cabin HOWO mẫu TX mới, thiết kế châu Âu
★ Trục xe công nghệ Man, cực kỳ phù hợp với khu vực Châu Phi.
» II. Thông số sản phẩm:
|
Xe cứu hỏa bọt nước 4x2 của HOWO, TX |
|||
|
Tổng quan |
Năng lực làm việc |
Bồn chứa nước 5500L, bồn chứa bọt chữa cháy 2000L |
|
|
Khung gầm xe tải |
HOWO TX240 |
||
|
Công suất động cơ |
240 mã lực / WP4.6NQ240E62 |
||
|
Máy bơm chữa cháy |
CB10/40-LC(BS) |
||
|
Khung gầm |
Loại ổ đĩa |
4X2 |
|
|
Quá trình lây truyền |
SINOTRUK HW95508STCL hộp số sàn 8 cấp |
||
|
Chiều dài cơ sở |
4700mm |
||
|
Lốp xe |
Lốp 295/80R22.5 18PR, 6+1 bánh |
||
|
Máy bơm chữa cháy |
Người mẫu |
CB10/40-LC(BS) |
|
|
Áp lực |
1MPa |
||
|
Áp suất làm việc tối đa |
1,380 MPa |
||
|
Áp suất đầu vào tối đa cho phép |
0,4 MPa |
||
|
Tuôn ra |
40 lít/giây |
||
|
Chiều cao hút tối đa |
7 phút |
||
|
Tốc độ định mức |
3300 vòng/phút |
||
|
Tỷ lệ tốc độ |
1:1.542 |
||
|
Máy trộn định lượng nước tạo bọt |
Người mẫu |
PH64-RS |
|
|
Tỷ lệ pha trộn |
6% |
||
|
Phạm vi áp suất làm việc |
0,6 ~ 1,4 MPa |
||
|
Phạm vi lưu lượng |
16 ~ 64 lít/giây |
||
|
Các loại chất lỏng tạo bọt phù hợp |
Loại B |
||
|
giám sát hỏa hoạn |
Người mẫu |
PL8/32 |
|
|
Chảy |
32 lít/giây |
||
|
Áp suất làm việc định mức |
0,8 MPa |
||
|
Phạm vi |
Nước |
≥ 6 0 phút |
|
|
Bọt |
≥ 48 phút |
||
|
Xoay góc |
- 45 ~ +70° |
||
|
Xoay ngang |
0 ~ 360° |
||
|
Báo động điện tử |
Báo động điện tử |
LY CJB-100-C24 / dài 1,2 m |
|
|
Cấu hình tiêu chuẩn |
Tất cả phụ kiện tiêu chuẩn: Vòi chữa cháy, bộ lọc, khớp nối, cờ lê, súng phun nước/bọt, bộ dụng cụ cơ bản, sách hướng dẫn sử dụng tiếng Anh… |
||
Hệ thống bể chứa chất lỏng trung tâm :
* Bồn chứa nước: Thể tích 5,5 mét khối, làm bằng thép carbon với lớp phủ chống ăn mòn bên trong, dùng để chứa nước chữa cháy.
* Bồn chứa bọt chữa cháy: Thể tích 2 mét khối, được làm bằng thép không gỉ có khả năng chống ăn mòn cao hơn, dùng để chứa chất chữa cháy dạng bọt.
* Tổng dung tích chất lỏng: 7,5 mét khối (nước và dung dịch tạo bọt), có khả năng thực hiện các hoạt động chữa cháy bằng bọt độc lập hoặc kết hợp.
» III. Hệ thống bơm chữa cháy:
|
Máy bơm chữa cháy Model |
Áp lực |
Áp suất làm việc tối đa |
Tuôn ra |
Tỷ lệ tốc độ |
|
CB10/40-LC(BS) |
1,0 MPa |
1,380 MPa |
40 lít/giây |
1:1.542 |
Bảng điều khiển tích hợp: Thiết kế bảng điều khiển trực quan và tích hợp:
• Hướng dẫn minh họa: Trình bày rõ ràng các quy trình vận hành mạch nước, các biện pháp phòng ngừa và sơ đồ nguyên lý hoạt động của máy bơm chữa cháy.
• Thiết bị giám sát: Bao gồm đồng hồ đo áp suất, đồng hồ đo chân không, đồng hồ đo mức bọt, đồng hồ đo mực nước, máy đo tốc độ quay, v.v., hiển thị trạng thái hoạt động của hệ thống theo thời gian thực.
• Các nút điều khiển: Các công tắc điều khiển được bố trí tập trung cho công tắc nguồn chính, bơm chân không, màn hình hiển thị mức, đèn chiếu sáng hộp thiết bị, v.v.
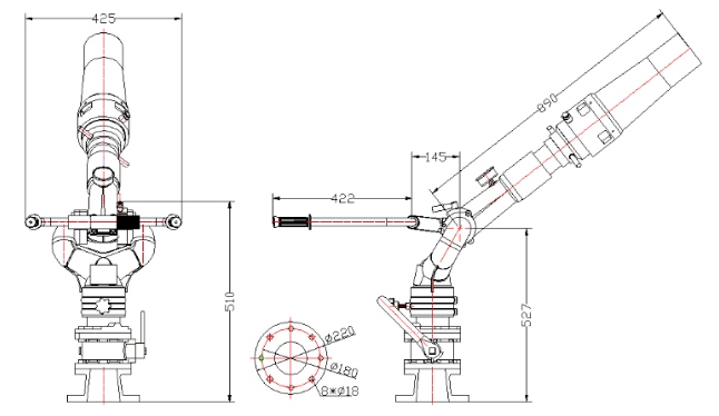
» III. Hệ thống giám sát hỏa hoạn:
| Mô hình thiết bị giám sát hỏa hoạn | Chảy | Phạm vi | Áp suất định mức | Xoay góc | Xoay ngang | Cân nặng |
| PL8/32 | 32 lít/giây |
nước ≥60m, bọt ≥48m |
0,80 MPa |
-45
°
~+70
°
|
0~360 ° | 23kg |
» IV . Thiết kế kỹ thuật:
Bộ phận Nghiên cứu và Phát triển của POWERSTAR chịu trách nhiệm thiết kế:
Có thể tùy chỉnh hoàn toàn ngoại hình, thiết kế dung tích bồn chứa nước + bọt, hộp đựng dụng cụ chữa cháy, cũng như kích thước toàn bộ xe. .
» IV Kiểm tra trước khi giao hàng:
Trước khi xuất xưởng xe cứu hỏa bọt HOWO 4X2 7500L, chúng tôi đã tiến hành kiểm tra tại nhà máy, bao gồm thử nghiệm mưa, kiểm tra hiệu suất của bơm chữa cháy và vòi phun chữa cháy, cũng như kiểm tra cuối cùng về quy trình hàn, sơn và các khía cạnh khác.
» VII. Ứng dụng: